By SATSUKI KIZAI
Horizontal Automatic Rewinder
MHA-102[S] II
Further space-saving and low-cost design. For small-lot, high-mix production lines
?(2).png)
The "ray type loop controller" originally developed by Satsuki constantly detects the feed amount of the work, follows the speed of the high-speed press, and winds up with the interlayer paper without applying excessive tension to the work.
Product Features:
1. When The reel position is switched by raising and lowering the supply stand.
2. Since it is wound horizontally, the tip of the work will not be deformed.
3. Image inspection equipment can be installed.
Standart Specifications:
â…¡ SPE.jpg)
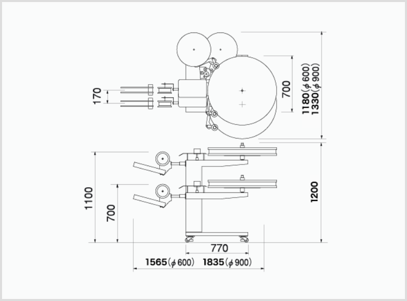
Outline drawing:
â…¡ DRAWING.png)
MHA-104[S] II 204 [S] II 106 [S] II 206 [S] II
Horizontal type  1 Line 4 Reels・1 or 2 Line 4 Reels・1 Line 6 Reels・1 or 2 Line 6 Reels
Spaces-saving type even with multiple reels.
Enables unmanned driving for a long time.
Ⅱ・204(S)Ⅱ・.png)
The "ray type loop controller" originally developed by Satsuki constantly detects the feed amount of the work, follows the speed of the high-speed press, and winds up with the interlayer paper without applying excessive tension to the work.
Product Features:
1. The supply stand is fixed, the reel position is switched by raising and lowering the reel.
2. Allows long-term unmanned operation on a high-mix, small-lot production line.
3. If you use an accumulator [sold separately], you can follow ultra-high line speeds.
4. Image inspection equipment can be installed.
Standart Specifications:
Ⅱ・204(S)Ⅱ・ SPE.jpg)
Outline drawing [MHA-106[S]II]:
Ⅱ・204(S)Ⅱ・ DRAWING.png)
MHA-104[S] III 204 [S] III 206 [S] III
Horizontal type  1 Line 4 Reels・1 or 2 Line 4 Reels・1 or 2 Line 6 Reels
Multiple reels type with a more compact design.
Enables unmanned driving for a long time.
Ⅲ・204(S)Ⅲ・.png)
The "ray type loop controller" originally developed by Satsuki constantly detects the feed amount of the work, follows the speed of the high-speed press, and winds up with the interlayer paper without applying excessive tension to the work.
Product Features:
1. The supply stand is fixed, the reel position is switched by raising and lowering the reel.
2. Space-saving type, but the corresponding reel has an outer diameter of up to φ750 mm.
3. Compatible with high-speed lines.
4. Image inspection equipment can be installed.
Standart Specifications:
Ⅲ・204(S)Ⅲ・ SPE.jpg)
Outline drawing [MHA-104[S]III]:
Ⅲ・204(S)Ⅲ・ DRAWING.png)
MHA-104[S] IV 204 [S] IV 106 IV
Horizontal type  1 Line 4 Reels・1 or 2 Line 4 Reels・1 Line 6 Reels
Achieved long-term unmanned operation on a narrow pitch production line.
Ⅳ・204(S)Ⅳ・.png)
The "ray type loop controller" originally developed by Satsuki constantly detects the feed amount of the work, follows the speed of the high-speed press, and winds up with the interlayer paper without applying excessive tension to the work.
Product Features:
1. The reel position is switched by raising and lowering the supply stand.
2. Allows long-term unmanned operation on a high-mix, small-lot production line.
3. Image inspection equipment can be installed.
Standart Specifications:
Ⅳ・204(S)Ⅳ・ SPE.jpg)
Outline drawing [MHA-106 IV]:
Ⅳ・204(S)Ⅳ・ DRAWING.png)
Vertical Automatic Rewinder
MVA-102[S]
Vertically Type 1 line 2 reels
Automatically follows the speed of precision high-speed press. Space-saving design suitable for high-mix small-lot production.
.png)
The "ray type loop controller" originally developed by Satsuki constantly detects the feed amount of the work, follows the speed of the high-speed press, and winds up with the interlayer paper without applying excessive tension to the work.
Product Features:
1. After fixing the position of the supply stand, the reel stand slides to switch reels.
2. Ideal for winding hard parts [pin terminals, IC lead frames,etc.]
3. If you use an accumulator [sold separately], you can follow ultra-high line speeds.
Standart Specifications:
 SPE.jpg)
Outline drawing:
 DRAWING.png)
MVA-104[S] 106[S] 206[S]
Vertically Type 1 line 4 reels , 1 Line 6 reels , 1 or 2 Line 6 Reels
For winding workpieces with a wide range of materials and strong stiffness, Suitable for high-mix mass production
・106(S)・206(S).png)
The "ray type loop controller" originally developed by Satsuki constantly detects the feed amount of the work, follows the speed of the high-speed press, and winds up with the interlayer paper without applying excessive tension to the work.
Product Features:
1. After fixing the position of the supply stand, the reel stand slides to switch reels.
2. Ideal for winding hard parts [pin terminals, IC lead frames,etc.]
3. If you use an accumulator [sold separately], you can follow ultra-high line speeds.
Standart Specifications:
・106(S)・206(S) SPE.jpg)
Outline drawing [MVA-104[S]]:
・106(S)・206(S) DRAWING.png)
MVA-12[S]
Vertically Type 1 line 2 reels
Automatically follows the speed of precision high-speed press. Space-saving design suitable for high-mix small-lot production
.png)
The "ray type loop controller" originally developed by Satsuki constantly detects the feed amount of the work, follows the speed of the high-speed press, and winds up with the interlayer paper without applying excessive tension to the work.
Product Features:
1. The supply stand is fixed, and the reel stand rotates to switch reels.
2. Ideal for winding hard parts [pin terminals, IC lead frames,etc.]
3. If you use an accumulator [sold separately], you can follow ultra-high line speeds.
Standart Specifications:
 SPE.jpg)
Outline drawing:
 DRAWING.png)
Simple Rewinder
MEF - 11 MultiType 1 Line 1 Reel
Multi-type that can set the reel position in 3 stages of horizontal, vertical and tilt.



The "ray type loop controller" originally developed by Satsuki constantly detects the feed amount of the work, follows the speed of the high-speed press, and winds up with the interlayer paper without applying excessive tension to the work.
Product Features:
1. The reel position can be set to horizontal, vertical or tilted position according to the required winding request.
2. Emphasis on versatility and space saving
3. Image inspection equipment can be installed
Standart Specifications:

Outline drawing:

MEH - 11 Horizontal type 1 Line 1 Reel
Prevents deformation due to the weight of the work. Ideal for winding small quantities and many types.


The "ray type loop controller" originally developed by Satsuki constantly detects the feed amount of the work, follows the speed of the high-speed press, and winds up with the interlayer paper without applying excessive tension to the work.
Product Features:
1. Since the reel is set horizontal, products always the carrier part is wound in alignment in a state where it is in contact with the reel flange.
2. Image inspection equipment can be installed
Standart Specifications:

Outline drawing:

MEH - 22 Horizontal type 2 Line 2 Reel
Ideal for winding narrow pitch and precision connectors. Space-saving compact design

The "ray type loop controller" originally developed by Satsuki constantly detects the feed amount of the work, follows the speed of the high-speed press, and winds up with the interlayer paper without applying excessive tension to the work.
Product Features:
1. Since the reel is set horizontal, products always the carrier part is wound in alignment in a state where it is in contact with the reel flange.
2. Image inspection equipment can be installed
Standart Specifications:

Outline drawing:

MEV - 11 Vertical Type 1 Line 1 Reels
For winding strong terminals such as pin terminals and IC leade frames.

The "ray type loop controller" originally developed by Satsuki constantly detects the feed amount of the work, follows the speed of the high-speed press, and winds up with the interlayer paper without applying excessive tension to the work.
Product Features:
1. Emphasis on versatility, low cost, and space saving.
2. Image inspection equipment can be installed
Standart Specifications:

Outline drawing:
.png)
